Принцип работы кондиционера
Принцип работы любого кондиционера основан на свойстве жидкостей, поглощать тепло при испарении и выделять его при конденсации. Чтобы понять, каким образом происходит этот процесс, рассмотрим схему кондиционера и его устройства (рис. 2.1)

Основными узлами любого кондиционера являются:
-компрессор – сжимает фреон и поддерживает его движение по холодильному контуру;
-конденсатор – радиатор, расположенный во внешнем блоке. Название отражает процесс, происходящий при работе кондиционера – переход фреона из газообразной фазы в жидкую (конденсация);
- испаритель – радиатор, расположенный во внутреннем блоке. В испарителе фреон переходит из жидкой фазы в газообразную (испарение);
- ТРВ (терморегулирующий вентиль) – понижает давление фреона перед испарителем;
- вентиляторы – создают поток воздуха, обдувающего испаритель и конденсатор. Используются для более интенсивного теплообмена с окружающим воздухом.
Компрессор, конденсатор, ТРВ и испаритель соединены медными трубами и образуют холодильный контур, внутри которого циркулирует смесь фреона с небольшим количеством компрессорного масла.
В процессе работы кондиционера происходит следующее. На вхоже. На входе компрессора из испарителя поступает газообразный фреон под низким давлением в 3…5 атмосфер и температурой 10…20oС.
Компрессор кондиционера сжимает фреон до давления 15…25 атмосфер, в результате чего фреон нагревается до 70…90oС, после чего поступает в конденсатор.
Благодаря интенсивному обдуву конденсатора, фреон остывает и переходит из газообразной фазы в жидкую с выделением дополнительного тепла. Соответственно, воздух, проходящий через конденсатор, нагревается.
На выходе конденсатора фреон находится в жидком состоянии, под высоким давлением и с температурой на 10…20oС выше температуры атмосферного (наружного) воздуха. Из конденсатора теплый фреон попадает в терморегулирующий вентиль (ТРВ), который в простейшем случае представляет собой капилляр (длинную тонкую медную трубку, свитую в спираль). На выходе ТРВ давление и температура фреона существенно понижается, часть фреона при этом может испариться.
После ТРВ смесь жидкого и газообразного фреона с низким давлением поступает в испаритель. В испарителе жидкий фреон переходит в газообразную фазу с поглощением тепла, соответственно, воздух, проходящий через испаритель, остывает. Далее газообразный фреон с низким давлением поступает на вход компрессора и весь цикл повторяется. Этот процесс лежит в основе работы любого кондиционера и не зависит от его типа, модели или производителя.
Кстати, одна из наиболее серьезных неисправностей сплит-системы связана с устройством кондиционера и возникает в том случае, если в испарителе фреон не успевает полностью перейти в газообразное состояние.
В этом случае на вход компрессора попадает жидкость, которая, в отличие от газа, несжимаема.
В результате компрессор просто выходит из строя. Причин, по которым фреон не успевает испариться, может быть несколько, например, это может быть неправильный расчет мощности кондиционера. Однако чаще всего это происходит из-за неправильной эксплуатации кондиционера. Во-первых, причиной неисправности могут стать загрязненные фильтры (при этом ухудшается обдув испарителя и теплообмен), во-вторых – включение кондиционера при отрицательных температурах наружного воздуха (в этом случае в испаритель поступает слишком холодный фреон).
Принцип работы кондиционера, таким образом, предельно прост: хладагент забирает тепло из воздуха в комнате и расходует его на свое испарение. Получившийся пар сжимают, и он отдает тепло уличному воздуху. При сжатии хладагент опять превращается в жидкость и опять готов забирать тепло из воздуха в комнате.
Некоторые кондиционеры могут и обогревать помещение с помощью так называемого теплового насоса. В этом режиме фреон циркулирует по контуру в обратном направлении, отбирая тепло из воздуха снаружи и передавая его внутрь помещения. Однако чем ниже температура на улице, тем труднее отбирать тепло из воздуха.
Мощность обогрева падает по мере понижения температуры на улице, и при наружной температуре ниже -5oС не следует обогревать помещения с помощью кондиционера.
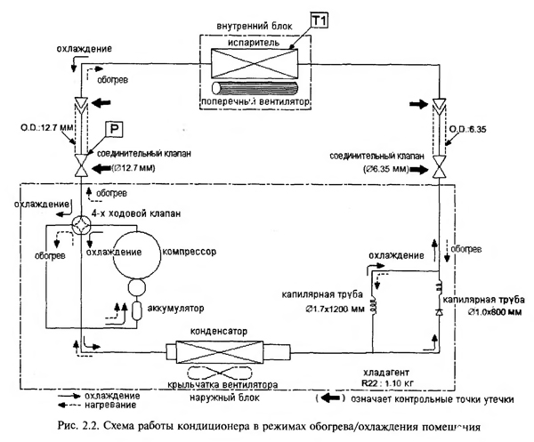
Работа кондиционера (сплит) в режимах обогрева и охлаждения помещений иллюстрируют рис. 2.2 и 2.3.


Итак: основные элементы кондиционера – это компрессор, теплообменники (конденсатор и испаритель) и соединяющие их трубки. Все остальные элементы служат для улучшения работы холодильного контура (вентиляторы) или для удобства пользователей (панель управления).
Дополнительные статьи по теме "О кондиционерах":
Установка кондиционера в Харькове
Обслуживание кондиционеров
Канальные кондиционеры - преимущества и недостатки
Настенная сплит-система или бытовой кондиционер — преимущества и недостатки
Кондиционеры - низкая цена или высокое качество?
Мобильный кондиционер - преимущества и недостатки
Оконный кондиционер - преимущества и недостатки
Самостоятельная чистка кондиционера
Кондиционер на обогрев
Как выбрать сплит - систему?
Выбор места установки кондиционера
Как выбрать кондиционер для детской комнаты?
Неисправности холодильного оборудования и способы их устранения
Принцип работы кондиционера









